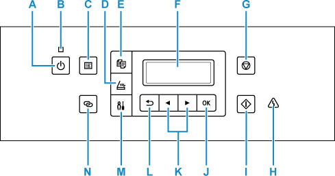
แผงการทำงาน

- A: ปุ่ม พลังงาน(ON)
-
สำหรับเปิดหรือปิดเครื่อง ก่อนที่จะเปิดเครื่อง ให้ตรวจสอบว่าฝาครอบเอกสารปิดอยู่
- B: สัญญาณไฟ พลังงาน(ON)
- ไฟจะกะพริบและติดสว่างเมื่อทำการเปิดเครื่อง
- C: ปุ่ม เมนู(MENU)
- แสดงหน้าจอ Copy menu หรือ Scan menu
- D: ปุ่ม สแกน(SCAN)
- สลับเครื่องพิมพ์เป็นโหมดสแกน
- E: ปุ่ม ทำสำเนา(COPY)
- สลับเครื่องพิมพ์เป็นโหมดทำสำเนา
- F: LCD (จอภาพผลึกเหลว)
- แสดงข้อความ รายการเมนู และสถานะการทำงาน
- G: ปุ่ม หยุด(Stop)
- ยกเลิกการทำงานในขณะที่กำลังดำเนินการพิมพ์ คัดลอก หรือสแกนเอกสาร
- H: สัญญาณไฟ เตือน(Alarm)
- สัญญาณไฟจะติดสว่างหรือกะพริบเมื่อเกิดข้อผิดพลาด
- I: ปุ่ม เริ่ม(Start)
- เริ่มการทำสำเนา การสแกน ฯลฯ
- J: ปุ่ม OK
- ทำให้การเลือกรายการเมนูหรือการตั้งค่าเสร็จสมบูรณ์ ปุ่มนี้ยังใช้สำหรับการแก้ไขข้อผิดพลาดหรือนำเอกสารที่เหลืออยู่ออกจาก ADF (ตัวป้อนเอกสารอัตโนมัติ)
- K: ปุ่ม
และ 
-
ใช้สำหรับการเลือกรายการการตั้งค่า ปุ่มนี้ยังใช้ในเมื่อการป้อนอักขระ
- L: ปุ่ม ถอยหลัง(Back)
- ทำให้จอ LCD กลับไปยังหน้าจอก่อนหน้า
- M: ปุ่ม ตั้งค่า(Setup)
- แสดงหน้าจอ Setup menu ด้วยเมนูนี้ คุณสามารถทำการบำรุงรักษาเครื่องพิมพ์และเปลี่ยนการตั้งค่าเครื่องพิมพ์ ยังใช้สำหรับการเลือกโหมดการป้อน
- N: ปุ่ม เชื่อมต่อไร้สาย(Wireless connect)
- กดปุ่มนี้ค้างไว้เพื่อตั้งค่าข้อมูลเราเตอร์แบบไร้สายในเครื่องพิมพ์โดยตรงจากสมาร์ทโฟนหรืออุปกรณ์อื่น (โดยไม่ต้องดำเนินการใดๆ บนเราเตอร์)

